Modulating Wi-Fi chronothermostat (OpenTherm) simple to use, compatible with OpenTherm boilers and always connected
The interface monitors the operation of PV inverters, charging stations and electric meters that support the Modbus protocol
A charging station for electric vehicles, with a power of 7 kW, and a Modbus communication interface. The device can also be controlled via the MyVirtuoso Home smart home system.
HUB for managing MyVirtuoso Home devices and for data collection and analysis
Cronotermostato Wi-Fi MFCB che gestisce l'impianto di riscaldamento a fancoil 2/4 tubi con gestione della ventola sia a 3 velocità 230 Vac sia a 0-10 Vdc. Colore Nero
Plastic radiator valve adapter to fit M30 digital thermostatic head to Caleffi valve.
TTD101: stand alone digital thermostatic head designed to detect the room temperature and automatically regulate the radiator water flow. Manual programming or via TTD USB Programmer cable (not included).
Plastic radiator valve adapter to fit M30 digital thermostatic head to M26 Pintossi valve.
Adapter for coupling thermostatic and electrothermal controls with GIACOMINI valves
Plastic radiator valve adapter to fit M30 digital thermostatic head to M28 Herz valve.
Plastic radiator valve adapter to fit M30 digital thermostatic head to F.A.R. valve.
WMTE-1037 thermo-electric actuator for the management of hydronic and underfloor heating systems
Plastic radiator valve adapter to fit M30 digital thermostatic head to M32 valve.
You can programme TTD101 by hand or you can use our convenient programming stick to copy your personally specified heating and economy times onto all your EcoDHOME energy-saving radiator thermostats at your home which have a programming port in a matter of seconds.
Automatic radiator bleed valve. This kit consists on 5 pieces.
The receiver unit HCE-08 receives information from the WMTEs programmable thermostats and acts as an actuator, turning on and off solenoid valves and control devices for heating/cooling installations (boilers, fan coil units, convection heaters, air conditioners, etc.).
NOT AVAILABLE AT THE MOMENT. ORDER NOW AND RECEIVE AS SOON AS AVAILABLE.
Wall-mounted wireless thermostat WMTE-120, measures zone temperature and sends commands to power on/off the receiver control units.
Wall-mounted wireless thermostat WMTE-110, measures zone temperature and sends commands to power on/off the receiver control units.
NOT AVAILABLE AT THE MOMENT. ORDER NOW AND RECEIVE AS SOON AS AVAILABLE.
Wall-mounted wireless thermostat WMTE-120, measures zone temperature and sends commands to power on/off the receiver control units.
Wall-mounted wireless thermostat WMTE-110, measures zone temperature and sends commands to power on/off the receiver control units.
ON/OFF boiler actuator in combination with programmable digital thermostatic head kits with app
It activates and deactivates the users to which it is connected and measures consumption
It detects the ambient brightness and shows the data through the integrated display
Battery powered device capable of detecting the ambient temperature and transmitting the data collected to the MyVirtuoso Home gateway. Depending on the temperature data received, the gateway will activate ventilation, cooling and heating. Can be integrated with internal and external measuring elements.
Probe for internal temperature measurement with 2.5 m cable to be integrated with the industrial temperature sensor
Probe for external temperature measurement with 2.5 m cable to be integrated with the industrial temperature sensor
Tipologia di attacco: E14
Potenza: 6W
Luce: 2700°k (calda)
470 lumen
Beam angle: 220°
Tipologia di attacco: E14
Potenza: 6W
Luce: 2700°k (calda)
470 lumen
Beam angle: 220°
Tipologia di attacco: E27
Potenza: 6W
Luce: 2700°k (calda)
470 lumen
Beam angle: 220°
Tipologia di attacco: E14
Potenza: 8W
Luce: 2700°k (calda)
800 lumen
Beam angle: 220°
Tipologia di attacco: E14
Potenza: 8W
Luce: 2700°k (calda)
800 lumen
Beam angle: 220°
Tipologia di attacco: E27
Potenza: 8W
Luce: 2700°k (calda)
800 lumen
Beam angle: 220°
Tipologia di attacco: E27
Potenza: 9W
Luce: 2700°k (calda)
800 lumen
Beam angle: 220°
Tipologia di attacco: E27
Potenza: 11W
Luce: 2700°k (calda)
1050 lumen
Beam angle: 220°
Tipologia di attacco: E27
Potenza: 14W
Luce: 2700°k (calda)
1520 lumen
Beam angle: 220°
Il telecomando DSE1000 è ideale per comandare da remoto le prese e gli attuatori Smart Start ad esso collegati.
La presa conta energia Smart Start PSE1000 è ideale per tenere costantemente sotto controllo i consumi delle utenze ad essa collegate.
La presa telecomandata Smart Start PSE100 è ideale per accendere o spegnere da remoto le utenze collegate grazie all'utilizzo di un pratico telecomando (acquistabile separatamente).
Rileva il gas (metano/GPL/propano) e il monossido di carbonio (CO). Monitoraggio tramite App Smart Life e certificato secondo la norma EN 50291-1:2018 e EN 50194-1:2009
L'attuatore da incasso Smart Start DSE500 è ideale per accendere o spegnere da remoto le linee elettriche collegate grazie all'utilizzo di un pratico telecomando DSE1000 (acquistabile separatamente).
TTD800 digital thermostatic head allows to control the flow of water through the radiator which they are fitted to. If linked to a HUB TTD5000, it can be control with an APP.
Tipologia di attacco: E27
Potenza: 16W
Luce: 2700°k (calda)
1920 lumen
Beam angle: 220°
Tipologia di attacco: E27
Potenza: 20W
Luce: 2700°k (calda)
2450 lumen
Beam angle: 220°
Tipologia di attacco: E14
Potenza: 6W
Luce: 4000°k (naturale)
490 lumen
Beam angle: 220°
Tipologia di attacco: E14
Potenza: 6W
Luce: 4000°k (naturale)
490 lumen
Beam angle: 220°
Tipologia di attacco: E27
Potenza: 6W
Luce: 4000°k (naturale)
490 lumen
Beam angle: 220°
Tipologia di attacco: E14
Potenza: 8W
Luce: 4000°k (naturale)
820 lumen
Beam angle: 220°
Tipologia di attacco: E14
Potenza: 8W
Luce: 4000°k (naturale)
820 lumen
Beam angle: 220°
Tipologia di attacco: E27
Potenza: 8W
Luce: 4000°k (naturale)
820 lumen
Beam angle: 220°
Tipologia di attacco: E27
Potenza: 9W
Luce: 4000°k (naturale)
850 lumen
Beam angle: 220°
Tipologia di attacco: E27
Potenza: 11W
Luce: 4000°k (naturale)
1100 lumen
Beam angle: 220°
Tipologia di attacco: E27
Potenza: 16W
Luce: 4000°k (naturale)
1950 lumen
Beam angle: 220°
Tipologia di attacco: E27
Potenza: 20W
Luce: 4000°k (naturale)
2500 lumen
Beam angle: 220°
Tipologia di attacco: GU10
Consumo: 6W
Luce: 2700°k (calda)
580 lumen
Beam angle: 38°
Tipologia di attacco: GU10
Consumo: 6W
Luce: 2700°k (calda)
580 lumen
Beam angle: 110°
Tipologia di attacco: GU10
Consumo: 6W
Luce: 4000°k (naturale)
600 lumen
Beam angle: 110°
The optional temperature probe that we propose in this product sheet has been specially designed to be used with the sensor for N / A and N / C contacts.
The temperature and humidity sensor with display and setpoint adjustment is a battery-operated device designed for the management of water heating systems
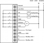
Wi-Fi room thermostat for 2-pipe fan coil, 3-speed 230 Vac fan regulation and valve management
Wi-Fi room thermostat for 4-pipe fan coil, 3-speed 230 Vac fan regulation and valve management
The PVC mat with N/A and N/C output is a device designed to indicate the presence of a person on the surface on which it is installed.
Wi-Fi room thermostat for 2-pipe fan coil, 3-speed fan regulation 0-10 Vdc and valve management
EcoDHOME.com powered by
SmartDHOME SRL
V.le Longarone, 35
20058 Zibido San Giacomo (MI)
800 020 346